隨著經濟的快速增長,舉升機越來越多地應用于汽車維修行業(yè)。目前,設 備的舉升和下降一般采用液壓系統(tǒng)控制,其缺點是,由于負載的不同導致各個 油缸之間的上升和下降的速度不一樣,舉升機不能同步運行,從而導致設備傾斜,存在安全隱患。
實用新型內容
本實用新型所要解決的技術問題是,提供一種舉升機同步位移檢測裝置, 能夠檢測舉升機上升和下降的位移,從而通過控制舉升機的運行速度達到舉升機同歩運行的目的。
本實用新型采取的技術措施如下:
一種舉升機同步位移檢測裝置,由位移傳感器、A/D轉換電路,電壓基準電路,微處理器和電源系統(tǒng)組成,其特征是:位移傳感器和A/D轉換電路相連,A/D轉換電路與電壓基準電路相連,A/D轉換電路與微處理器相連。
所述的位移傳感器為帶記憶式拉繩位移傳感器。
本實用新型的積極效果在于:通過位移傳感器對油缸的位移進行檢測,并將信號進行轉換處理后送到微處理器,微處理器根據位移數據進行處理,微處理器根據處理結果調整舉升機的運行速度,達到舉升機同步運行的目的,解決了設備在升降過程中傾斜而存在安全隱患的問題。
附圖說明
圖1是本實用新型的結構示意圖。
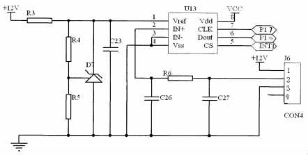
圖2是本實用新型的A/D轉換電路圖。
具體實施方式
如圖l、圖2所示,位移傳感器1與A/D轉換電路2相連,A/D轉換電路2 與電壓基準電路3相連,A/D轉換電路2和微處理器4相連。所述的位移傳感器1為帶記憶式拉繩位移傳感器。
所述的位移傳感器1將位移信號轉換成電壓信號,便于A/D轉換電路2進行處理。
所述的A/D轉換電路2是將位移傳感器1輸出的電壓信號轉換成數字信號。所述的電壓基準電路3向A/D轉換電路2輸出一個標準的5v電壓基準。所述的微處理器4是將A/D轉換電路2的結果進行分析,并根據分析的結果去控制舉升機的運行速度。電源系統(tǒng)5為系統(tǒng)供電。










粵公網安備 44030602003587號